
12年專注精密減速機生產、銷售廠家





| JRF齒輪行星減速機系列標注說明 | ||||||
| 產品系列 | 產品規格 | 級數 | 傳動比 | 背隙 | 輸出形式 | 備注 |
| JRF | 60 | L1 | 5 | P1 | ||
| 60 80 90 120 |
L1:=1級 L2:=2級 |
L1: 3 4 5 7 10 L2: 9 12 15 16 20 25 30 35 40 50 70 100 |
P1=精密間隙 P2:標注間隙 |
S1=光軸輸出 無:帶鍵輸出 |
電機制造商及規格型號。可以直接提供輸出連接尺寸 | |
|
JRF60-L1
|
|||||||||||||||||||||||||
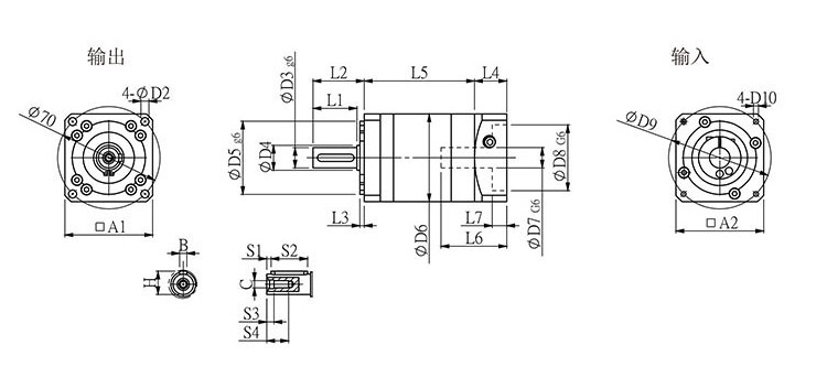
| D1 |
D2
|
D3
|
D4
|
D5
|
D6
|
D7
|
D8
|
D9
|
D10
|
L1
|
L2
|
L3
|
L4
|
L5
|
L6
|
L7
|
A1 |
A2
|
S1
|
S2
|
S3
|
S4
|
B
|
H
|
C
|
|
52
|
M5
|
14
|
17
|
40
|
60
|
14
|
50
|
70
|
M4
|
30
|
35
|
3
|
22
|
58
|
32
|
4
|
60 |
60
|
3
|
20
|
5
|
18
|
5
|
16
|
M5
|
|
客戶定制
|
|||||||||||||||||||||||||

|
JRF60-L2
|
|||||||||||||||||||||||||
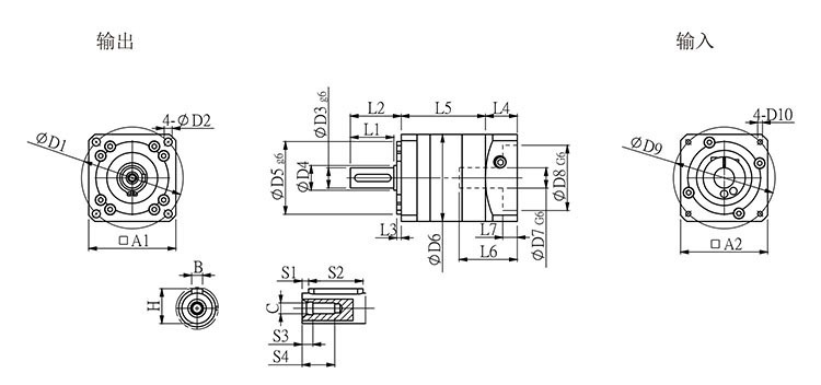
| D1 |
D2
|
D3
|
D4
|
D5
|
D6
|
D7
|
D8
|
D9
|
D10
|
L1
|
L2
|
L3
|
L4
|
L5
|
L6
|
L7
|
A1 |
A2
|
S1
|
S2
|
S3
|
S4
|
B
|
H
|
C
|
|
70
|
5.5
|
14
|
17
|
50
|
60
|
14
|
50
|
70
|
M4
|
30
|
35
|
3
|
22
|
75.5
|
32
|
4
|
60 |
60
|
3
|
20
|
5
|
18
|
5
|
16
|
M5
|
|
客戶定制
|
|||||||||||||||||||||||||
