
12年專注精密減速機生產、銷售廠家





| JG系列標注說明 | ||||||
| 產品系列 | 產品規格 | 級數 | 傳動比 | 背隙 | 輸出形式 | 備注 |
| JG | 90 | L1 | 5 | P1 | ||
| 64 90 110 |
L1:=1級 L2:=2級 |
L1: 3 4 5 7 10 L2: 9 12 15 16 20 25 30 35 40 50 70 100 |
P1=精密間隙 P2:標注間隙 |
S1=光軸輸出 無:帶鍵輸出 |
電機制造商及規格型號。可以直接提供輸出連接尺寸 | |

|
JG64-L1
|
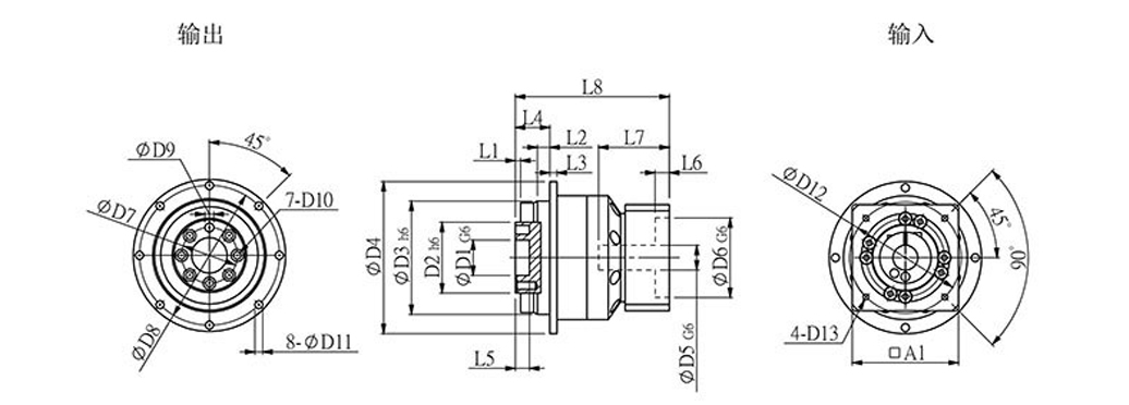
||||||||||||||||||||||||||||
| D1 |
D2
|
D3
|
D4
|
D5
|
D6
|
D7
|
D8
|
D9 |
D10
|
D11
|
D12
|
D13
|
L1
|
L2
|
L3
|
L4 | L5 |
L6
|
L7
|
L8
|
A1
|
|||||||
|
20
|
40
|
60
|
86
|
14
|
50
|
31.5
|
79
|
5 |
M5
|
4.5
|
70
|
M4
|
3
|
7
|
4
|
19.5 | 8 |
10
|
38
|
87
|
60
|
|||||||
|
客戶定制
|
||||||||||||||||||||||||||||
